Table of Contents
Product Overview
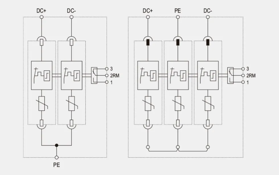
The QJSPD-PV40 DC Surge Protective Device is specifically engineered for photovoltaic power systems where DC-side surge protection is critical. It utilizes self-developed MOV technology and an integrated thermal disconnect mechanism to ensure safe and reliable surge suppression.
Its modular and pluggable design allows easy maintenance and fast replacement, making it ideal for large-scale solar installations and commercial PV projects.
Key Features
40kA Surge Current Capacity: Effective protection against lightning and transient surges
Self-Developed MOV Technology: High reliability and long service life
Consistent Pluggable Design: Includes N/PE spark gap compatibility
Thermal Disconnect Device: Individual thermal protection for each module
Optical & Mechanical Status Indication: Clear visual monitoring of device condition
Optional Remote Signaling Contact: Supports floating remote alarm output
Wide Network Compatibility: Suitable for almost all PV system configurations
DIN Rail Mounting: Standard 35mm DIN rail installation
technical parameters


Typical Applications
Photovoltaic power generation systems
Solar combiner boxes
DC distribution panels
Commercial and industrial PV plants
Rooftop and ground-mounted solar installations
FAQ
Yes, it is specifically designed for DC-side protection in PV installations.
The pluggable design allows fast and safe module replacement.
Yes, optional floating remote indication contact is available.
Interested in this product? Please fill out the form below to receive a detailed quote or more information.




